
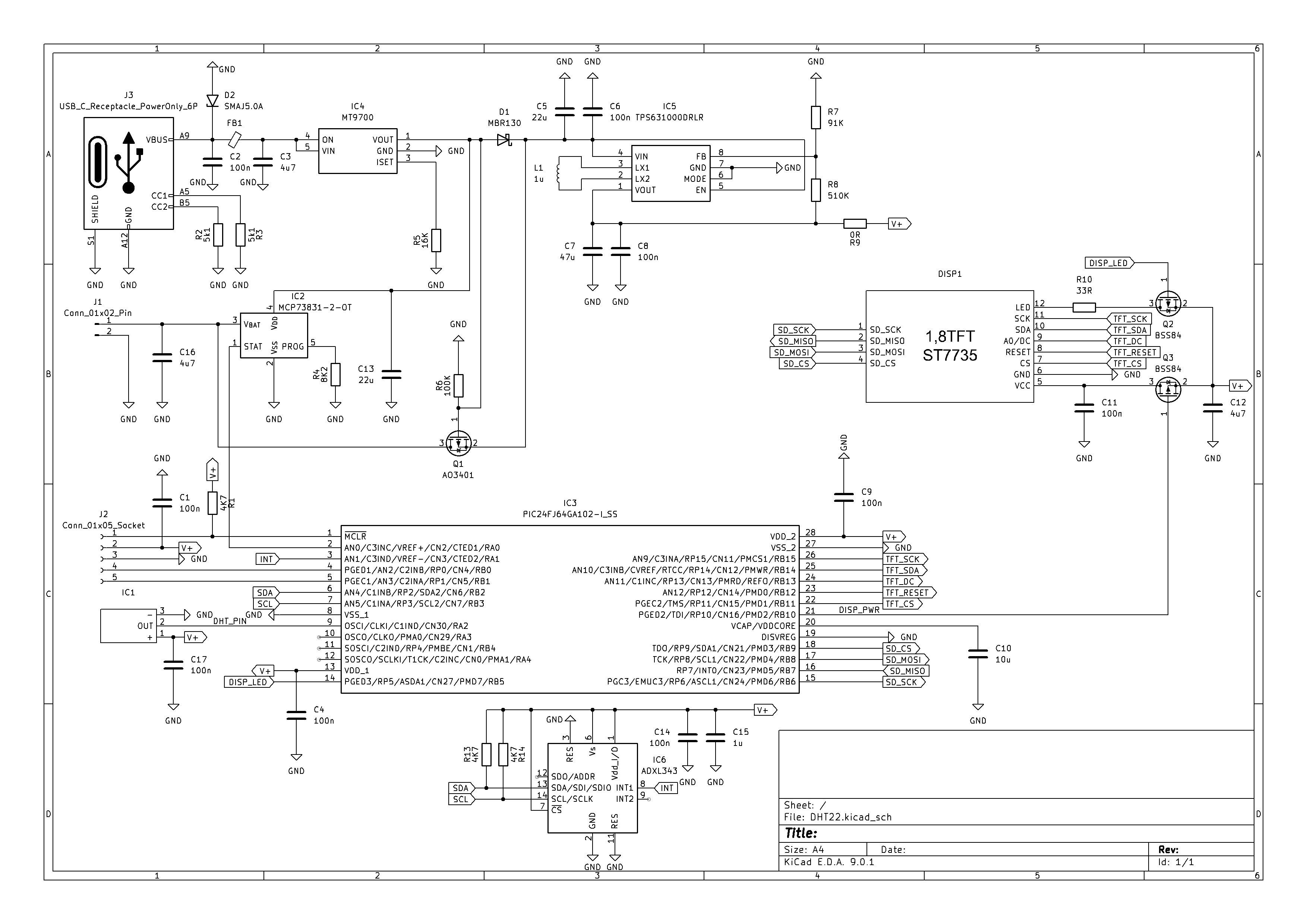
DHT22 based thermo/hygro meter & logger.
To make the experience fit your profile, pick a username and tell us what interests you.
We found and based on your interests.

DHT22_kicad.zipx-zip-compressed - 3.70 MB - 02/15/2026 at 16:39 |
|
|
DHT22.X.zipx-zip-compressed - 1.33 MB - 02/15/2026 at 16:39 |
|
Create an account to leave a comment. Already have an account? Log In.
Become a member to follow this project and never miss any updates
By using our website and services, you expressly agree to the placement of our performance, functionality, and advertising cookies. Learn More