Projects
Discover
Contests
Courses
Stack
More
Courses
Tutorials
Events
Hackerspaces
Hackaday.com
Tindie Marketplace
Sign up
Log in
Close
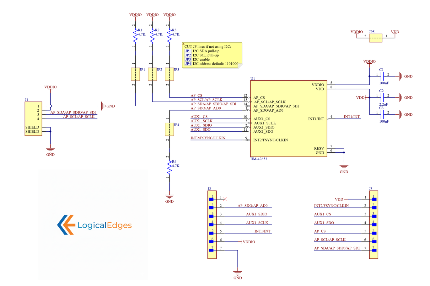
IIM-42653 Industrial IMU Breakout Board Gallery
« Back to project
View Full Size
View Full Size
View Full Size