Project Overview: 2S LiPo High-Current Power Box with two Sbus inputs
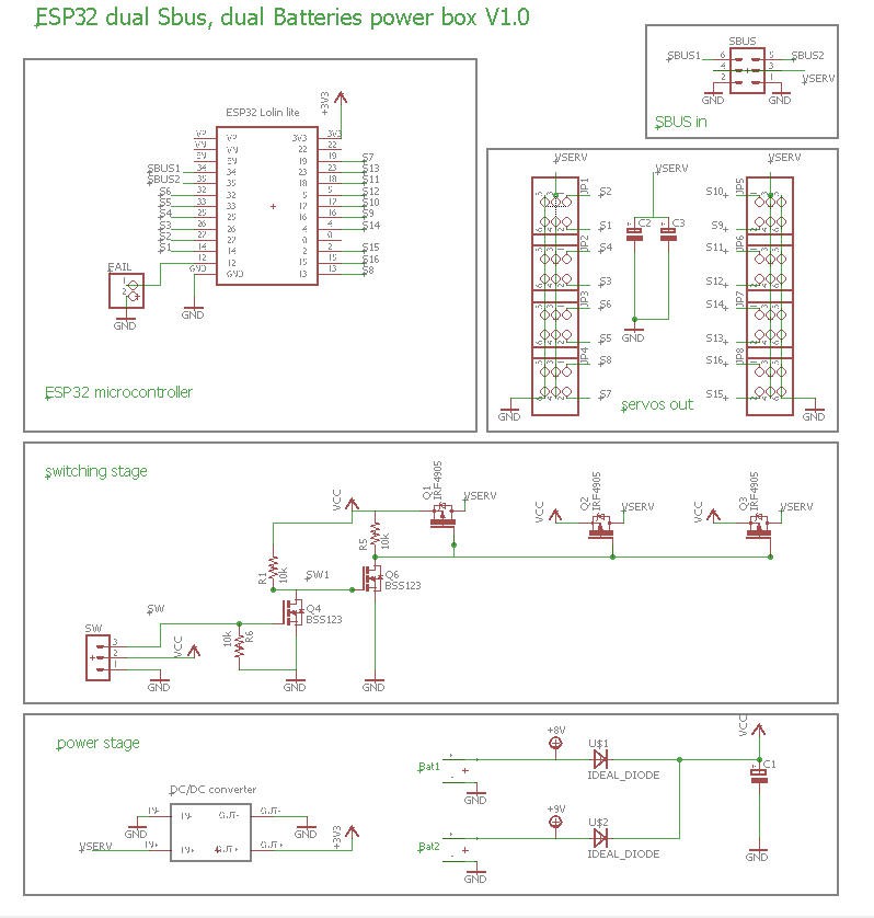
This circuit is a high-performance power distribution system designed for large-scale RC models. It manages power from dual batteries to drive up to 16 High-Voltage (HV) servos while providing redundancy from two Sbus receivers and electronic switching.
Key Technical Features
- Dual Battery Redundancy: The input stage features two "Ideal Diodes" (U$1, U$2). These allow for a dual-battery setup (2S LiPo, ~8.4V) with minimal voltage drop and prevent back-charging if one pack fails or has a lower voltage.
- High-Current Power Path: Utilizing multiple IRF4905 P-Channel MOSFETs in parallel, the board is designed to handle a continuous load of 20A, ensuring stable current delivery to 16 HV servos during high-torque maneuvers.
- Electronic Switching (Soft-Switch): * The circuit includes a logic stage (BSS123 N-FETs) that controls the main power MOSFETs.
- Compatibility: The "SW" header is designed to interface with Jeti RC switches or Magnetic switches. It uses a "fail-on" logic where the system remains powered if the switch signal is lost, enhancing safety.
- Servo Distribution: The output rail (VSERV) distributes power across 16 headers , supporting 16 primary servos with integrated decoupling capacitors (C1, C2, C3) to filter voltage spikes and electrical noise..
- Receivers decoding : An ESP32 will take care of decoding Sbus signal from two independant receivers and switch from one to the other in case of failure. Failsafe output can be configured
Schematics

PCB
The PCB can be bought at PCBWay


The PCB was kindly sponsored by PCBWay and is as usual of excellent quality.

You can order it here :PCBWay shared project. It's cheap, delivered very fast and so professional looking!
and if you are new to PCBWay please use this affiliated link : https://pcbway.com/g/o35z4O
As you can see "big" tracks are exposed to be reinforced either with solder or (better) with copper wire. Doing this will increase drastically the current capcabilities of this board. It will sustain up to 20A with a total of 16 servos powered with 2s lipo packs.
Power considerations
2x 2s lipo packs are used to power the box. The "OR" of their voltage is performed with two ideal diodes

These tiny devices are available for cheap on Aliexpress. They are mostly used as "anti back flow" components on solar panels. The XL 74610 is an ideal diode module built around the brilliant LM 74610 chip from Texas Instruments.
When paired with an N-channel power MOSFET, it behaves like a diode, but with a significantly lower voltage drop.

Switch control
A three stages mosfet combination allows to switch On/Off the power box

The three big P channels mosfets IRF4905 are used to cut the VCC line.
Each Mosfet can handle 74A
Heat Dissipation per MOSFET
- Current Split: Assuming the load is balanced, each MOSFET carries approximately 6.67A
- The IRF4905 has a typical resistance of 0.02Ω at VGS = -10V$.
- Power Dissipation per Component: P = 0.02 * (6.67)^2 = 0.89W
Thermal Analysis
- Total Power Box Dissipation: Approximately 2.67W of total heat across the power stage
This means that the mosfets should remain totally cold and no heatsink willbe needed.
Reliability : 3 mosfets are soldered in parallel allowing a very strong reliability in case of one or even two Mosfets failure.
Switching Logic and Fail-safe Mechanism
The switch circuit uses a dual-stage N-FET inverter logic to control the main high-power P-MOSFETs (Q7, Q8, Q9).
Operating States
- Off State (Switch Closed): When the switch pulls pin 3 of the SW header to GND, Q4 is turned off. This allows the gate of Q6 to be pulled High, turning Q6 ON. Q6 then pulls the gates of the IRF4905s to GND, which turns the main power ON.
- On State (Switch...
JP Gleyzes