Projects
Discover
Contests
Courses
Stack
More
Courses
Tutorials
Events
Hackerspaces
Hackaday.com
Tindie Marketplace
Sign up
Log in
Close
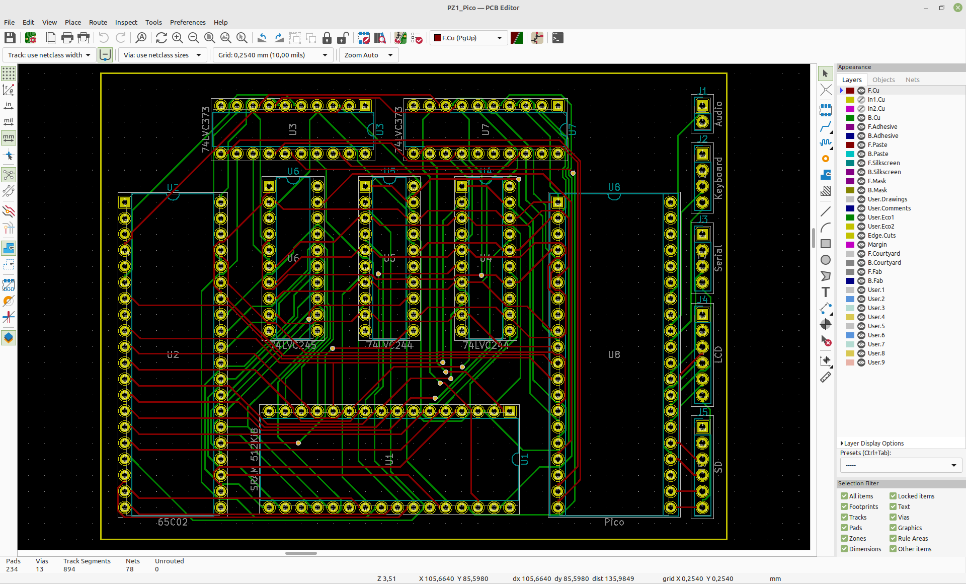
PZ1 6502 laptop Gallery
« Back to project
View Full Size
View Full Size
View Full Size
View Full Size
View Full Size
View Full Size
View Full Size
View Full Size
View Full Size
View Full Size
View Full Size
View Full Size
View Full Size
View Full Size
View Full Size
View Full Size
View Full Size
View Full Size