Current Project Status
=== Prototype ===
Circuit Design -------------- ( ✓ )
Breadboard Proto -------- ( ✓ )
Power Analysis ------------ ( ✓ )
Firmware Dev -------------- ( ✓ )
Perf Board Proto --------- ( ✓ )
Deploy ----------------------- ( ✓ )
=== REV0 ===
Case Development --------- PENDING
Solar Feasibility -------------- PENDING
R&D Misc ---------------------- TBD
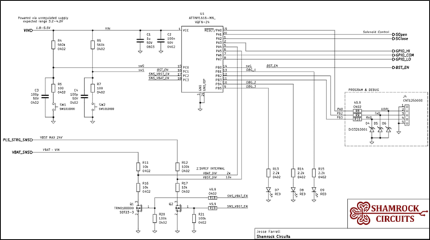
Schematic --------------------- PENDING
Layout -------------------------- PENDING
Documentation ------------- PENDING
Jesse Farrell



















