Power During Sleep: 24uW
- Measured without solar. Powered from 3.8Vbat across 2 ohm shunt
Power During Active: 38mW
- Same setup as above. This was the peak observed 1 second average.
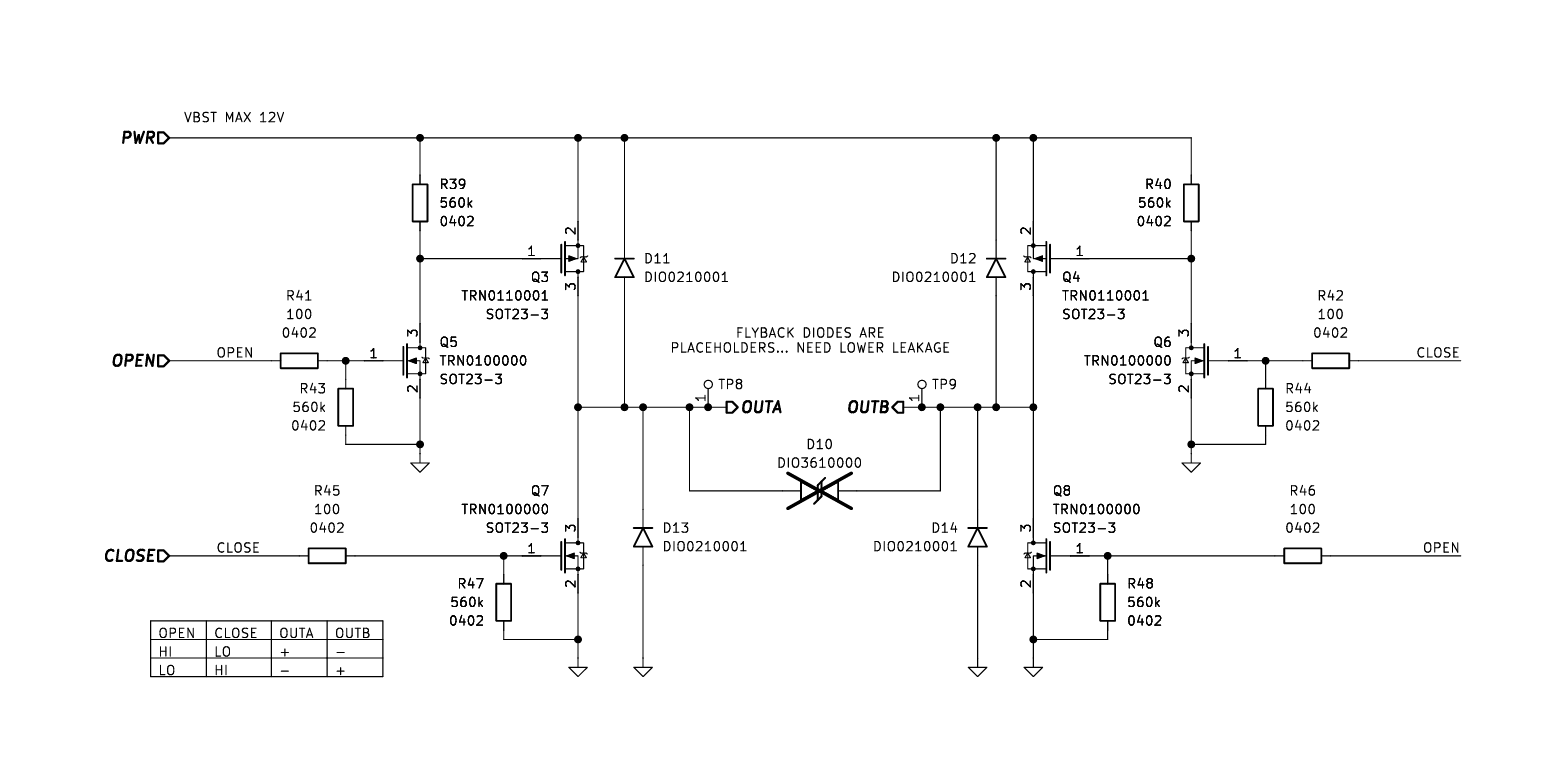
Peak Output Power: 17W
- This is the power delivered to the latching solenoid.
Battery Runtime: 115 days (3.6 months)
- Theoretical value without any solar present.
- 400mAh battery starting at 3.8V discharged to 3.2V.
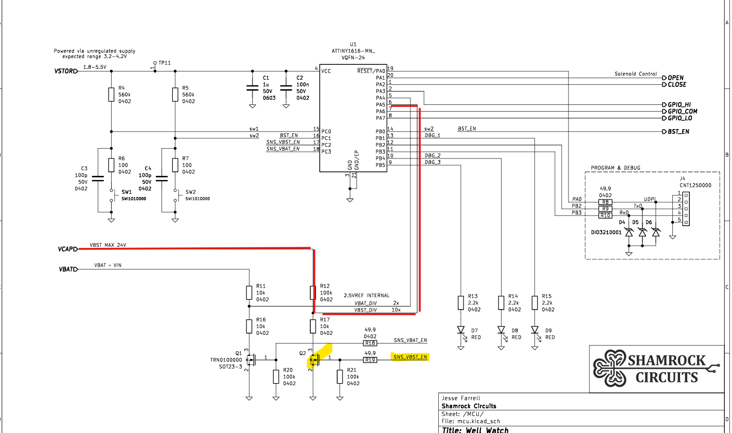
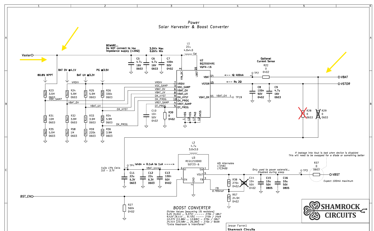
Some Data...


The setup...

Quick Demo...
Jesse Farrell


































