20251113: Architecture update
20250525: spinning #miniPHY off.
.
miniMAC is an extension and application of #PEAC Pisano with End-Around Carry algorithm because the PEAC algorithm replaces the checksum, the scrambler and the 4b/5b table usually employed by 100Base-TX, see
166. Line encoding with PEAC : OK
167. Line encoding with PEAC: it's alive
168. PEACLS error detection (and correction?)
169. TODO: scan
Application is for embedded/custom data transfers over RJ45/Cat5 UTP/STP where the whole TCP/IP stack is not required and a simple FPGA/microcontroller are more than enough.
.
A PAM3-based + gPEAC18 version is currently in development. The GrayPar layer is still evolving, helps detecting more errors, faster, optimising the descrambler's work. There is no error correction but detection is solid and fast, allowing almost immediate retransmit of the most recent data, thus optimising actual bandwidth in difficult environments (like industrial, automotive...).
-o-O-0-O-o-
Logs:
1. Let's start.
2. Tinkering with CircuitJS
3. AGC
4. Serial vs Parallel
5. Sender-side droop/wander prevention with MLT-3
6. Double parity
7. Flipping
8. a Quasi-Popcount
9. gPEAC again
10. Popcount
11. the bi-flipper topology
12. Ternary encoding
13. The whole flip+parity extension stage
14. Should 4 be flipped...
15. Popcount (better)
16. Run Length Limitation, reduced
17. Making it work
18. Protect the flip bits
19. Error detection
20. Modulation, simplified for now - NRZi
21. Architecture
22. Ternarity and more
23. SU(3)
24. mod3
25. mod3bis
26. Bidir PEAC+ParPop
27. Two lanes
28. Bidir ParPop : OK
29. Protocol
30. DPLL-1
31. I need a name.
32. Reversible PEAC scrambler
33. TMDS
34. PEAC treillis
35. PEAC Reversibility achieved
36. Bidirectional pipeline
37. Dual-lane version: easy
38. DPLL-2
39. Line compensations
40. Maximum avalanche time
41. Transition minimisation
42. The "same" symbol
43. PAM3 and the bi-Trits
44. The ParRot
45. Constellation 2
46. The spreader
47. Gray parity
48. One more bit...
49. Larger words
50. The new parity circuit
51. Permutations
52. Permutations 2
53. The last parity
54. Control Word Sequence
55. Rebuild
56. Detection latency and buffer depth
57. Burst errors
58. Protocol revision
59. MAC & PHYs
60. The error model of PEAC scramblers
61. Shared PEAC
62. Sub-protocol: QSDE
63. miniPHY
64. New pipeline
65. GrayPar17
66. ADD3-EAC
67. Move the NOTs
68. Fewer burst errors
69. spurious errors
70. Stats with GrayPar17 and PEAC16x2
71. Not XOR, not ADD, then what ?
72. Add, Sub and errors
73. Multi-bit errors
74. Galois fields ?
75. Better markers
76. Better stats
77. buffer prefix
78. gPEAC18
79. A matter of channels...
80. Architecture (summer edition)
81. Unit swap
82. Unit swap (2)
83. Extended control words
84. GrayPar18
85. Article
86. A variable-strength adaptive parity
87. New pipeline
88. New pipeline (2)
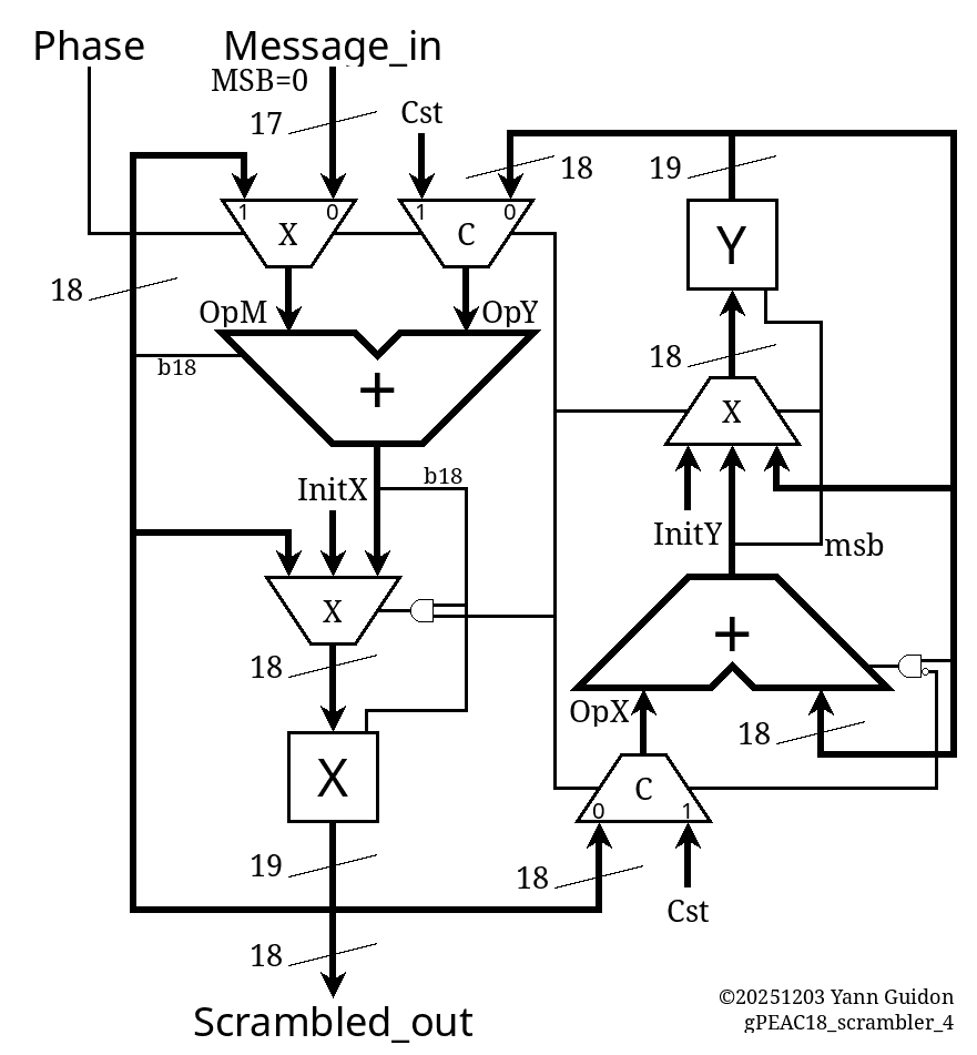
89. GrayPar18: 5+5+5+3
90. ParGray: it's reversible!
91. New modulo.
92. Nested Gray Parity Loops
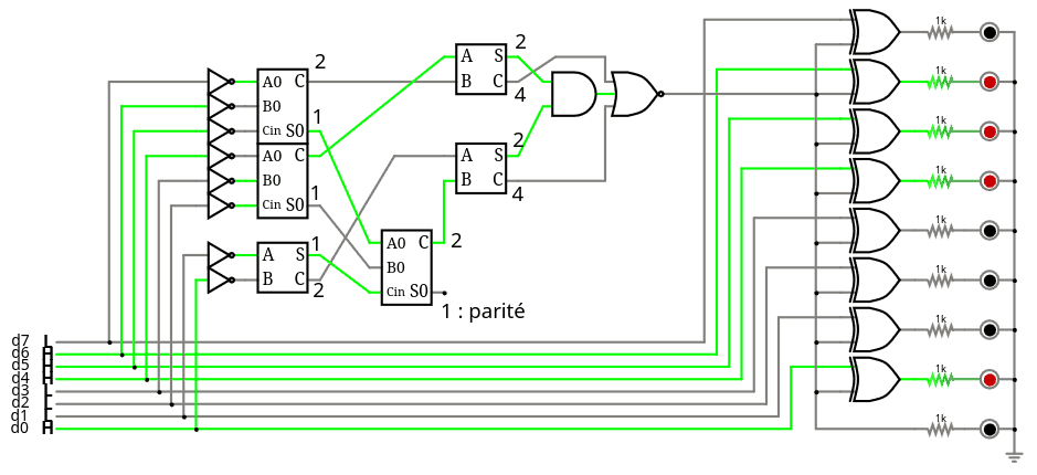
93. New new modulo.
94. Error detection: how it fits in the protocol
95. Meanwhile: Koopman
96. Modular adder
97. Coding space
98. Architecture update
99. Parallel bus
100. C/D in the middle
101. gPEAC: the circuit
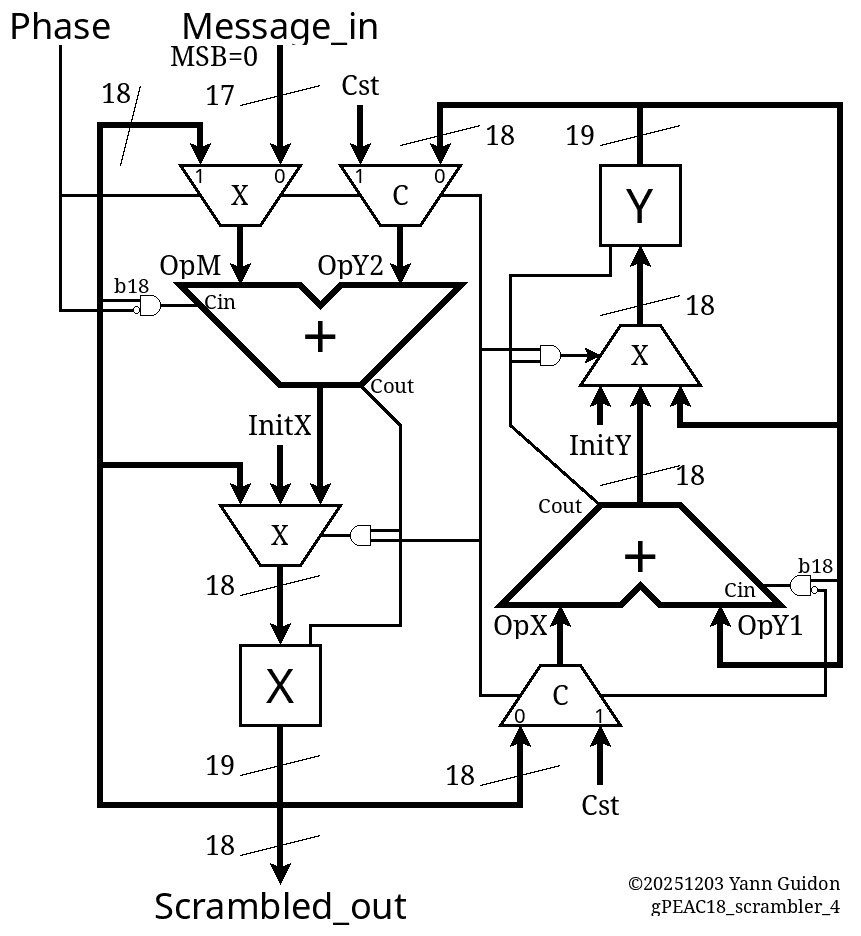
102. gPEAC circuit correction
103. New new new modulo.
104. Orbit length invariance
105. gPEAC: the (other) circuuit
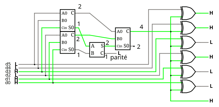
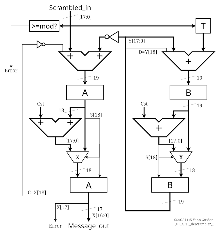
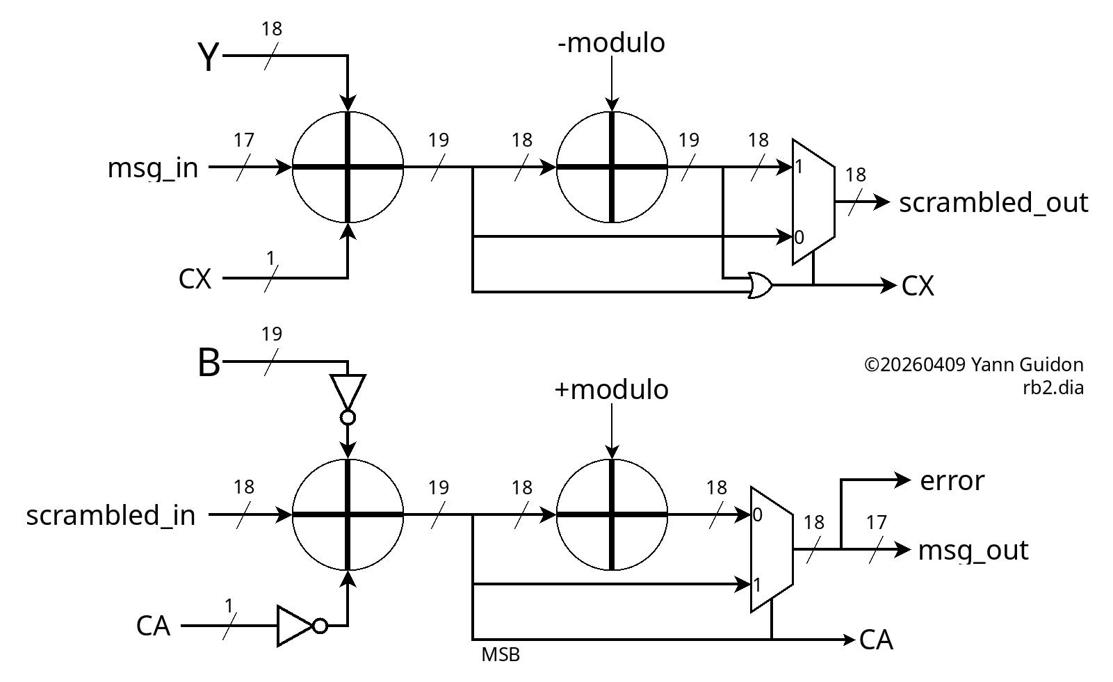
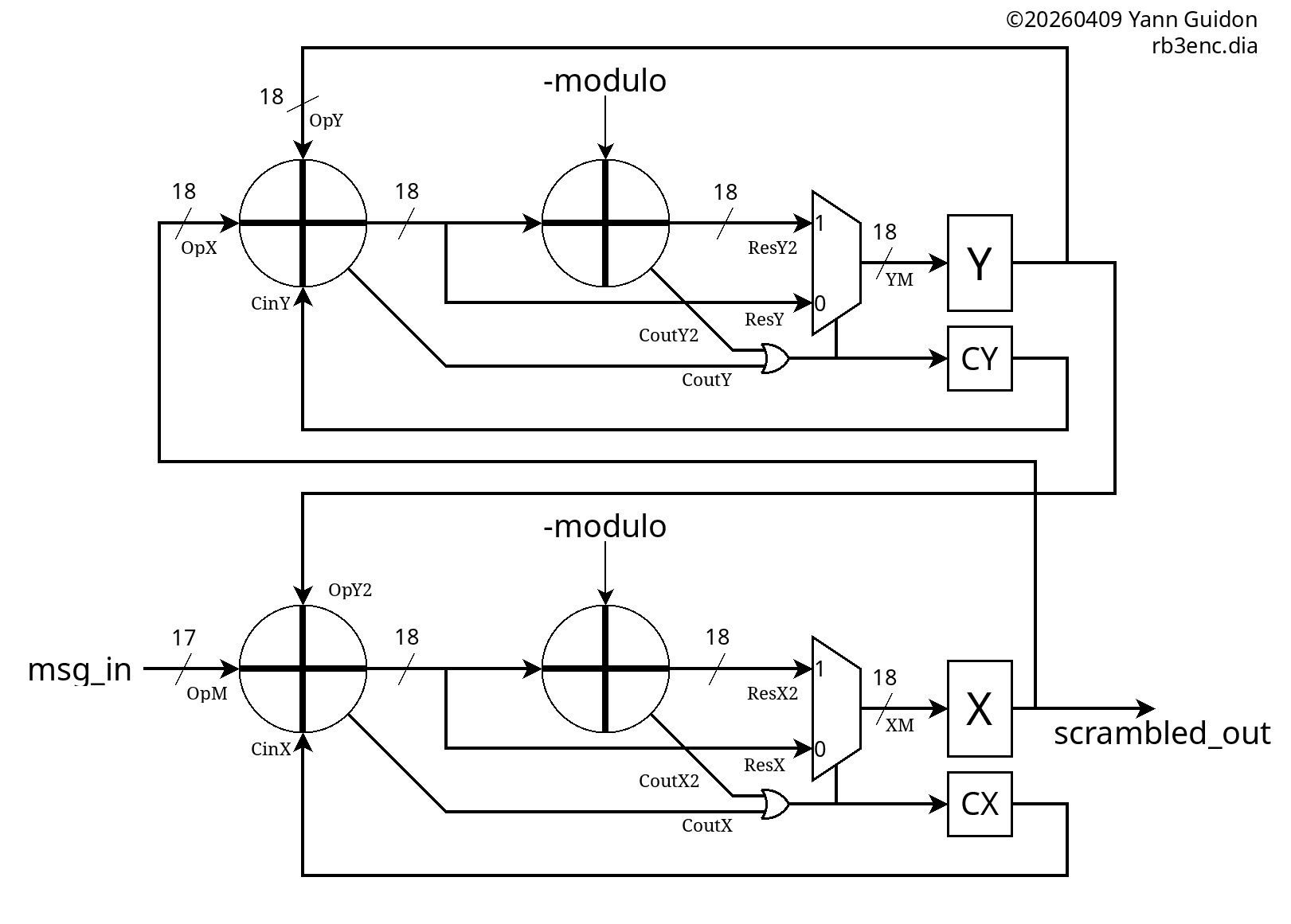
106. gPEAC18 descrambler (la suite)
107. Bus Inversion
108. Error correction
109.
110.
111.
112.
113.
114.
115.
116.
117.
118.
119.
.
For the older obsolete "NRZi" version, as of 20250325 we had:
- A pretty good 16-bit scrambler with a very long period, no risk of crash and parallel implementation : easier operation, lower power and works at f/10.
- The scrambled word has 2 additional marker bits for flagging the data vs control words, also providing a "sticky" checksum flag.
- The parity/flip stage performs pop count on the 2 halves, at F/20, extracting a parity flag that alters the data markers, and flips whole bytes when the number of set bits is lower than 4.
Result :
- The units mostly are identical for transmit and receive, so they can be shared, alternate the function. (20250401 :...
Yann Guidon / YGDES














Toshiba was on the ParPop thing since at least 1983:
https://patents.google.com/patent/US4587445A/en